Légrugó liftező Schmitz – megbízható megoldás pótkocsikhoz
A Légrugó liftező Schmitz olyan kamion alkatrész, amely a pótkocsi felfüggesztésének stabilitását, a futáskomfortot és a rakomány védelmét egyaránt javítja. A liftező funkció gyors magasságállítást tesz lehetővé rakodásnál, daru alatti munkáknál vagy speciális fuvarfeladatoknál, így a vontató és a pótkocsi könnyebben összehangolható. Ez a teherautó alkatrész különösen hasznos fuvarozóknak, szervizeknek és flottáknak, ahol fontos a megbízható működés és a költséghatékony csere.
Fő előnyök
- Tartós kialakítás a mindennapos igénybevételhez
- Egyszerű csere és karbantartás
- Jó rezgés- és zajcsillapítás, kíméli a rakományt
- Gyors magasságállítás a liftező rendszerrel
- Költséghatékony megoldás pótkocsi felépítményhez
Műszaki jellemzők
| Típus | Légrugó, liftező kivitel |
| Kompatibilitás | Schmitz pódium és egyéb liftező rendszerű ráépítések |
| Anyag | Magas színvonalú, tartós kivitel |
| Funkció | Magasságállítás, stabil futás, rezgéscsillapítás |
| Gyártás | Utángyártott / kiegészítő alkatrész |
Használat és kompatibilitás
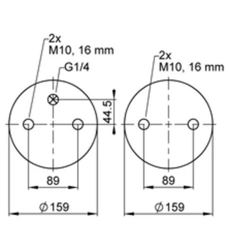
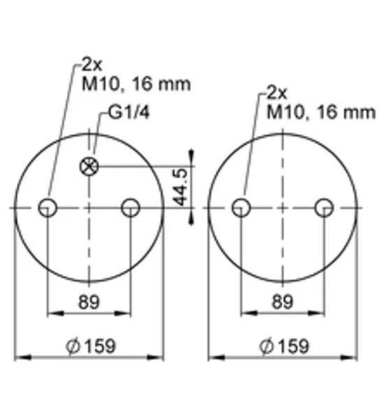
Olyan pótkocsikhoz ajánlott, ahol fontos a gyors emelhetőség és a stabil terheléselosztás. Beépítéskor mindig ellenőrizze a teherbírási értéket, a csatlakozási pontokat és a pontos méretet.
Felhasználási javaslat
Ideális hosszú távú fuvarozáshoz, rakodási műveletekhez és flottás karbantartáshoz. Kifejezetten ajánlott kamionsofőröknek, fuvarozó cégeknek és műhelyeknek.
GYIK – Gyakori kérdések
Mely járművekhez jó a Légrugó liftező Schmitz?
A Schmitz liftező rendszerű pótkocsikhoz és hasonló felépítményekhez ajánlott.
Gyári vagy utángyártott termék?
Ez egy praktikus, kiegészítő jellegű kamion felszerelés, amely cserealkatrészként is használható.
Mikor érdemes cserélni?
Ha a felfüggesztés veszítene a stabilitásából, vagy a magasságállítás már nem működik megfelelően.
Rendelje meg megbízható kamion alkatrész webshop-ból, gyors szállítással és szakértő segítséggel!
Ha további kérdése van a szállítással, garanciával vagy a rendelés menetével kapcsolatban, látogasson el Gyakori Kérdések (GYIK) oldalunkra, ahol részletes válaszokat talál.