90 mm TIR zsanér készlet – megbízható megoldás raktérajtókhoz
A Zsanér készlet 90 mm TIR komplett, horganyzott acél kivitelű kamion alkatrész, amely teherautók, pótkocsik, utánfutók és TIR felépítmények raktérajtóinak stabil rögzítésére szolgál. A termék ideális választás, ha tartós, pontosan illeszkedő és könnyen szerelhető kamion kiegészítő vagy teherautó alkatrész megoldást keresel.
Fő előnyök
- Komplett szett – minden szükséges elem egy csomagban
- Horganyzott acél – korrózióálló, kültéri használatra is alkalmas
- Nagy teherbírás – intenzív mindennapi igénybevételhez
- Gyors szerelés – menetes lappal és csavarokkal egyszerűen rögzíthető
- Költséghatékony csere – jó választás javításhoz és új kiépítéshez is
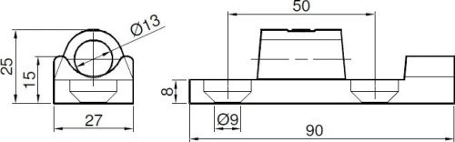
Műszaki adatok
| Anyag |
Horganyzott acél |
| Súly |
0,7 kg |
| Szélesség |
90 mm |
| Furatok |
Ø9 mm, Ø12 mm, Ø13 mm |
| Furatköz |
70 mm |
| Csapmagasság |
35 mm |
| Kivitel |
Komplett, menetes lapos zsanérkészlet |
Felhasználás és szerelés
A készlet TIR és kamion raktérajtókhoz, ipari pótkocsikhoz és mezőgazdasági szállítóeszközökhöz ajánlott. Szereléskor fontos a furatok pontos illesztése és a megfelelő meghúzási nyomaték betartása, így a zsanér hosszú távon is biztonságosan működik.
GYIK
Milyen járművekhez jó a 90 mm TIR zsanér készlet?
Teherautókhoz, pótkocsikhoz, TIR felépítményekhez és utánfutókhoz, ahol 90 mm-es zsanérmegoldás szükséges.
Tartalmazza a csomag a szereléshez szükséges alkatrészeket?
Igen, a szett zsanéragyat, csapot, menetes lapokat és rögzítőcsavarokat is tartalmaz.
Kültéri használatra is alkalmas?
Igen, a horganyzott acél kivitel jól bírja a nedvességet és a korróziós terhelést.
Rendeld meg most megbízható kamion alkatrész webshop kínálatból, ha gyors szállítással és szakértő segítséggel keresel tartós zsanérkészletet.
Ha további kérdése van a szállítással, garanciával vagy a rendelés menetével kapcsolatban, látogasson el Gyakori Kérdések (GYIK) oldalunkra, ahol részletes válaszokat talál.