Zsanéragy 90 mm TIR – megbízható megoldás felépítményhez
A
Zsanéragy 90 mm TIR kiváló választás, ha tartós és pontosan illeszkedő
kamion alkatrész vagy
teherautó alkatrész szükséges pótkocsi-ajtókhoz, raktérajtókhoz vagy ipari felépítményekhez. A termék a TIR rendszerű zsanércsapok fogadására készült, így stabil működést, hosszú élettartamot és biztonságos záródást biztosít a mindennapi használat során.
Fő előnyök
- Horganyzott acél kivitel a korrózió és az időjárás elleni védelemért
- Precíz illeszkedés Ø13 mm-es zsanércsaphoz
- Könnyen szerelhető, süllyesztett Ø9 mm-es furatokkal
- Könnyű, mégis masszív felépítés: mindössze 0,2 kg
- Költséghatékony kamion kiegészítő a gyors csere érdekében
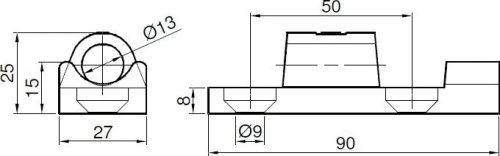
Műszaki jellemzők
| Teljes hossz | 90 mm |
| Furatköz | 50 mm |
| Rögzítőfurat | Ø9 mm |
| Befogadó furat | Ø13 mm |
| Magasság | 25 mm |
| Anyag | horganyzott acél |
| Típus | felépítmény alkatrész, TIR zsanéralkatrész |
Felhasználás és szerelés
A zsanéragy ideális
kamion felszerelés, pótkocsi, utánfutó, ipari ajtó vagy mezőgazdasági szállítóeszköz számára. Szereléskor ellenőrizze a csap átmérőjét és a furatkiosztást, hogy a rögzítés stabil legyen. A csavarok nem tartozékok, ezért a megfelelő kötőelemeket külön érdemes választani.
Miért érdemes ezt választani?
Ha olyan
kamion alkatrész webshop terméket keres, amely tartós, szabványos és egyszerűen beépíthető, ez a zsanéragy jó ár-érték arányú megoldás.
GYIK
- Milyen csappal kompatibilis?
Ø13 mm átmérőjű TIR zsanércsapokkal.
- Használható kültéren?
Igen, a horganyzott acél jól ellenáll a nedvességnek és a korróziónak.
- Tartoznak hozzá csavarok?
Nem, a szerelési csavarokat külön kell megvásárolni.
- Mikor szükséges a csere?
Ha a régi zsanéragy lötyög, kopott vagy korrózió miatt nem zár stabilan.
Rendelje meg most, és válasszon megbízható, raktárról elérhető
kamionos eszközt gyors szállítással!
Ha további kérdése van a szállítással, garanciával vagy a rendelés menetével kapcsolatban, látogasson el Gyakori Kérdések (GYIK) oldalunkra, ahol részletes válaszokat talál.